拍賣台北市大安區大樓
07-7963288
客服電話
申請房仲網站
首頁
房子租售
土地租售
法拍屋資訊
廠房租售
房屋仲介
大樓社區
委託買賣
關鍵字
現在位置:
首頁
›
法拍屋資訊
›
台北法拍大樓
›
大安區法拍大樓
›
拍賣台北市大安區大樓-台北大安區敦化南路一段191號8樓
最後更新:1天前
檢舉案件不實
│
列印
│
物件留言
|
觀看地圖
拍賣台北市大安區大樓
拍賣台北市大安區大樓
房子基本資料
案名
大安區 敦化南路一段 【吟龍名廈】忠孝敦化站 仁愛國中小
案號
114知150212 115/05/27(三) 09:30
地址
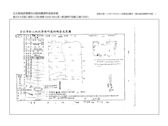
台北市大安區
敦化南路一段191號8樓
社區/大樓
台北-吟龍名廈
(國泰建設)
銷售狀態
待標中
售價
售9366萬
房子類型
法拍大樓
總登記坪數
62.44 坪
格局
0房
屋齡
42年
每坪單價
150萬/坪
公設比
車位
沒有車位
座向
無障礙環境
有
法拍屋
本物件是法拍屋
拍次 : 第一拍 部份點交
開標日期 : 2026/05/27(三) 09:30
建物所在樓層
8樓/共14樓
管理費
管委會
有
中庭
有
電梯
有
是否為凶宅
不是
300公尺內嫌惡設施
面前道路
面寬
縱深
邊間
是
房子銷售來源
不動產經紀人/專業仲介
房子特色
【法院筆錄內容】
1‧據114年4月18日查封現場債務人稱,本件拍賣標的無人居住使用,部分陽台之格局填平變更為室內空間。土地使用分區為敦化南北路特定專用區(A區)(依都市計畫說明書圖規定辦理)(原屬第肆種住宅區及第肆之壹種住宅區)。
2‧本件拍賣標的經向主管機關查詢有無海砂屋、輻射屋、地震或火災受創及建物內有非自然死亡等足以影響交易之特殊情事,經臺北市政府消防局114年7月21日北市消調字第1143034734號函覆,自95年迄今無受理旨揭地址火災及救護案件紀錄;經臺北市政府警察局大安分局114年7月21日北市警安分刑字第1143065406號函覆,未發現有非自然死亡情事;經臺北市建築管理工程處114年7月28日北市都建使字第1146138041號函覆,非該處列管之海砂屋或震損建築物;經核能安全委員會114年11月4日核輻字第1140016284號函覆,該建物無輻射偵測紀錄。另債權人債務人若有影響交易之情事,應檢附相關文件到院以利發布公告。依強制執行法第69條之規定,拍賣物買受人就物之瑕疵無擔保請求權,請應買人自行查明,不得於拍定後主張。
3‧本件拍定後除共有部分2469建號建物查無明確之分管契約故不點交外,其餘建物部分拍定後點交。
《拍賣抵押物》
【保證金】
1873萬
【拍賣履歴】
一拍2026/05/27底標價格9366萬
二拍底標價格7492.8萬
三拍底標價格5994.24萬
四拍底標價格4795.392萬
【焦點法拍履歴】
👩🏻⚖️從業二十年以上經驗|競競業業|正派經營
🎯投標準備⇥法拍流程說明|標單填寫|案件現場勘查有無特殊情事|成本評估分析
💰銀行貸款⇥法拍物件估價|投標人財力評估|銀行代墊款協助辦理|最高八成
🏡拍定得標⇥強制執行書狀、履勘陳報書狀往返|債務人搬遷協商|遺留物造冊查估
🎁委託代標⇥免費|委託代標未得標⇥免費
🏢鑫創資產管理有限公司
顏麗杏0911-965339營業員證號:(101)登字第212862號
連真甄0909-031993營業員證號:(101)登字第192002號
更多物件☞焦點法拍
經紀人李彥槿:109北市經證字第02110號
坪數說明
建物登記總坪數
62.44
土地登記總坪數
6.49
主建物坪數
45.57
停車位坪數
附屬建物坪數
6.09
公共設施坪數
10.78
增建坪數
地下室坪數
房子周邊環境
生活機能
鄰近交通
鄰近地標
公園綠地
鄰近學區
仁愛國小,仁愛國中
捷運站
忠孝敦化
房子聯絡人資訊
聯絡人姓名
小顏
(煩請告知聯絡人,您是在House-Info房屋網看到這則廣告,真摯感恩您的幫忙)
手機
0911-965-339
電子信箱
Skype通話
Line加入好友
所屬公司名稱
鑫創資產管理有限公司
公司電話
公司傳真
公司地址
新北市新莊區中環路二段423號一樓
網 址
http://www.1314home.tw
贊助商廣告
大安區大樓法拍-1
大安區大樓法拍-2
大安區大樓法拍-3
大安區大樓法拍-4
大安區大樓法拍-5
大安區大樓法拍-6
大安區大樓法拍-7
大安區大樓法拍-8
大安區大樓法拍-9
大安區大樓法拍-10
觀看地圖
到Google查看地圖
到Google查看街景
台北大安區敦化南路一段191號8樓-大樓
物件留言
請注意,如果您詢問的內容與物件不相符合或是廣告,經過審核,系統將會直接刪除您的發問內容
檢舉物件不實
黃金熱銷
民生東路一段54號
大樓_台北晶華酒店 / 1房
16.29坪
827萬
仁愛路四段112巷
大樓
50.61坪
3986萬
"法拍屋"樂群二路
大樓_美麗華大直影城 / 3房
67.54坪
4400萬
樂群二路282號7
大樓
67.54坪
4400萬
相似物件
敦化南路一段191
大樓_法拍大樓
62.44坪
9366萬
敦化南路一段191
大樓
62.44坪
9366萬
敦化南路一段191
大樓
62.44坪
9366萬
敦化南路一段191
大樓
62.43坪
9366萬
www.houseinfo.tw房屋網
免責聲明:本系統為租用式開放房屋買賣網站建置平台,僅提供會員查詢-
拍賣台北市大安區大樓
-等房屋資訊參考,並不涉入任何諮詢、交易。 物件(服務)聯絡人公佈的資訊、文字、照片、圖形、產權、廣告內容、或其他資料若有不實或違法情事,或與客戶聯絡交易過程中若衍生民事或刑事等法律問題,皆與本房屋網站無關,所有商標、文章、名稱等版權,皆歸屬原著作者所有! ●電話:07-7963288
大安區法拍華廈
│
大安區法拍電梯大廈
│
大安區法拍電梯大樓
│
大安區法拍大樓
│
大安區法拍大廈
│
大安區法拍電梯華廈
│
大安區法拍透天別墅
│
大安區法拍透天厝
│
大安區法拍公寓
│
大安區法拍店面
│
大安區法拍套房
│
大安區法拍廠房
│
大安區法拍辦公室
│
大安區法拍豪宅
│
大安區法拍樓中樓
│
大安區法拍農舍
│
大安區法拍廠辦
│
大安區法拍雅房
│
大安區法拍倉庫
│
大安區法拍工業廠房
│
大安區法拍透天
│
大安區法拍中古屋
│
大安區法拍別墅
│
大安區法拍電梯別墅
│
大安區法拍透天店面
│
大安區法拍屋
│
大安區法拍房屋
│
大安區法拍房子
請注意:此案件已下架
資料處理中,請稍後...