拍賣士林區公寓

法拍屋,法拍屋代標,法拍屋出售
台北法拍屋
最後更新:4天前
房子基本資料
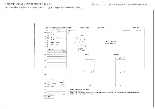
案名 士林區重慶北路四段220巷37號1樓 靜巷公寓 案號 114實54654
地址 台北市士林區重慶北路四段220巷37號1樓
銷售狀態 待標中 售價
售1592萬售1275萬
房子類型法拍公寓 總登記坪數 22.19 坪
格局 0房 屋齡 50年以上
每坪單價 57.46萬/坪 公設比
車位 座向
無障礙環境 法拍屋 本物件是法拍屋
拍次 : 2
開標日期 : 115/03/25(三)
建物所在樓層 1樓/共4樓 管理費
管委會 中庭
電梯 沒有 是否為凶宅 不是
300公尺內嫌惡設施 面前道路
面寬 縱深
邊間 房子銷售來源 不動產經紀人/專業仲介
房子特色
▌地址

台北市士林區重慶北路四段220巷37號1樓



▌公告內容

辦理法院|士林

案號|114實54654

拍賣時間|115/03/25(三)下午14:30

拍次|2拍

點交否|點交



▌拍賣情況

拍賣中



▌產權資料

社區名|

類型|公寓

樓層|1/4

屋齡|57

權狀坪|22.19

室內坪|23.38

公設坪|

土地坪|7.41

增建坪|1.19

車位|

車位坪|



▌拍賣資料

拍賣底價|1275萬元

保證金|256萬元

單價/坪|57.5萬元

標別|



▌預估拍次

一拍價格|1592萬元|71.7萬/坪

預估二拍|1275萬元|57.5萬/坪

預估三拍|1020萬元|46.0萬/坪

預估應買|1020萬元|46.0萬/坪

預估四拍|816萬元|36.8萬/坪



▌法院筆錄

1‧10061建號、11269建號拍定後點交。

2‧民國114年6月19日現場查封、指界時,據地政人員指出184地號土地係10061建號前方道路用地;債務人母親吳○華在場稱10061建號建物為其及女兒居住使用,廚房走道以前有漏水,鄰居整理完後已無漏水。依強制執行法第113條準用第69條之規定,拍賣物買受人就物之瑕疵無擔保請求權,不得於拍定後主張,請應買人留意。惟現在實際情形如何,仍請應買人自行查明注意。

3‧11269建號係未登記建物,位於廚房,據現場照片顯示與主建物(10061建號)內部相通,且無獨立出入口。臺北市建築管理工程處於114年7月29日函覆稱:係位於1樓後之水平增建違章建築,現況無明確事證可茲證明係新違建或既存違建等語。拆除風險請應買人自行注意,本件拍賣係以建物現況拍賣,當事人及拍定人均不得以面積不符,請求增減價金,拍定後無法以權利移轉證書辦理建物登記。

4‧184地號土地實際坐落地點、範圍,以地政機關之地籍圖及實際測量結果為準。土地使用分區於投標時是否已變更,仍請投標人自行查明注意後再行投標。《拍賣抵押物》







法拍代標專家TORO|18年法拍屋經驗,專業代標、合法透明、成功率高

✅專欄人物-黃瑋諭

在法拍市場中,資訊不對稱、法律風險、投標策略失誤,往往讓投資人錯失良機,甚至承擔不必要的風險。

選擇一位真正專精法拍屋的代標專家,是成功關鍵。

TORO法拍代標|業界口碑第一的法拍屋專家

📮TORO(黃瑋諭),深耕法拍屋市場超過18年,專注於法拍交易、法拍屋投資與代標服務,累積豐富實戰經驗,並以「合法、透明、專業」著稱。

✅TOROESTATE創辦人

法拍屋教學教育資深講師👨‍🏫

多家媒體、網路專欄不動產分析專家📢

曾參與多件大型企業辦公室、豪宅、廠房之法拍代標案件🏢

不只協助投標,更替客戶控管風險,打造長期穩定的法拍投資策略👑

✅法拍代標實績|累積成交金額突破50億

法拍成交案件數:300+件

累積成交總金額:超過50億元

102年單店成交金額:17億

111年單店成交金額:30億

👉業績來自實力,口碑來自成果。

✅為什麼選擇TORO法拍代標?

✔專業法律顧問全程把關

配合專業律師團隊確保交易合法、安全降低潛在法律風險

✔法拍物件完整調查

產權結構、登記風險全面審查使用狀況、占用與點交可能性分析避免「買到不能住、不能用的法拍屋」

✔客製化投標策略

投標價格精準分析市場行情比對依現場狀況即時調整投標金額

✅TORO法拍代標完整流程

①委託前諮詢

法拍流程完整說明

成本、稅費、銀行貸款分析

投資風險與報酬評估

②委託後分析

預估得標價格

銀行鑑價與融資可行性

現場實地調查

③投標當日

全程陪同或代理投標

現場觀察投標人數

即時判斷投標策略

④成功得標後

銀行撥款與法院流程協助

點交程序與文件處理

協助排除占用、後續出租或轉售規劃

✅法拍代標收費方式(透明公開)

⭕️點交法拍屋:3%

⭕️不點交法拍屋:5%

❌️未得標:完全不收費

👉成功才收費,與客戶站在同一陣線。

✅投標當日必備文件

⭐️投標人身分證公司投標需附法人登記資料

⭐️投標人印章/法人大小章

⭐️投標保證金(拍賣底價20%)



✅台北/新北法拍投標地點與電話

台北地方法院

台北市博愛路131號

📞(02)2314-6871

新北地方法院

新北市土城區青雲路152號6樓

📞(02)2261-6714

士林地方法院

台北市內湖區民權東路六段91號

📞(02)2791-1521

台灣金服公司

台北市大安區忠孝東路四段300號10樓

📞(02)8771-1168

✅聯絡TORO|法拍代標諮詢專線

⭐️0980-758-080

👉一對一諮詢,協助你避開法拍陷阱,精準得標。

坪數說明
建物登記總坪數 22.19 土地登記總坪數 7.41
主建物坪數 22.19 停車位坪數
附屬建物坪數 公共設施坪數
增建坪數 1.19 地下室坪數
房子周邊環境
生活機能 鄰近交通
鄰近地標 公園綠地
鄰近學區 捷運站
房子聯絡人資訊
聯絡人姓名 TORO 黃瑋諭
(煩請告知聯絡人,您是在House-Info房屋網看到這則廣告,真摯感恩您的幫忙)
手機
0980-758-080
電子信箱
Skype通話 Line加入好友 Line加入好友
所屬公司名稱 鑫創資產管理有限公司
公司電話 0980758080 公司傳真 鑫創資產管理有限公司
公司地址 新北市新莊區中環路二段423號1樓
網 址 http://www.toro591.tw
贊助商廣告
台北大安區房屋,台北大安區房屋出售,台北大安區房屋資訊
新北法拍屋,新北市法拍屋,新北法院法拍屋,新北法拍屋查詢公告
台北公寓法拍-1
台北公寓法拍-1
台北公寓法拍-2
台北公寓法拍-2
台北公寓法拍-3
台北公寓法拍-3
台北公寓法拍-4
台北公寓法拍-4
台北公寓法拍-5
台北公寓法拍-5
台北公寓法拍-6
台北公寓法拍-6
台北公寓法拍-7
台北公寓法拍-7
台北公寓法拍-8
台北公寓法拍-8
台北公寓法拍-9
台北公寓法拍-9
觀看地圖

台北士林重慶北路四段220巷37號1樓-公寓

物件留言
請注意,如果您詢問的內容與物件不相符合或是廣告,經過審核,系統將會直接刪除您的發問內容
等待圖示
檢舉物件不實
等待圖示
黃金熱銷
相似物件
www.houseinfo.tw房屋網免責聲明:本系統為租用式開放房屋買賣網站建置平台,僅提供會員查詢-拍賣士林區公寓-等房屋資訊參考,並不涉入任何諮詢、交易。 物件(服務)聯絡人公佈的資訊、文字、照片、圖形、產權、廣告內容、或其他資料若有不實或違法情事,或與客戶聯絡交易過程中若衍生民事或刑事等法律問題,皆與本房屋網站無關,所有商標、文章、名稱等版權,皆歸屬原著作者所有! ●電話:07-7963288