| 房子基本資料 |
| 案名 | 倚翠電梯別墅 政大附中│政大二街60號 | 案號 | 2025/11/27-09:30 |
| 地址 | 台北市文山區政大二街60號 ★ 林小陽 0966-781-595 |
| 銷售狀態 | 待標中 | 售價 | 售4000萬 |
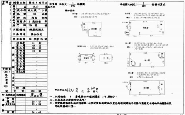
| 房子類型 | 法拍別墅 | 總登記坪數 | 69.85 坪 |
| 格局 | 依房屋現場實際狀況為準 | 屋齡 | 26年 |
| 每坪單價 | 57.27 | 公設比 | |
| 車位 | 車位 | 座向 | |
| 無障礙環境 | | 法拍屋 | 本物件是法拍屋 拍次 : 開標日期 : 2025/11/27-09:30
|
| 建物所在樓層 | 全棟4 | 管理費 | |
| 管委會 | | 中庭 | |
| 電梯 | 沒有 | 是否為凶宅 | |
| 300公尺內嫌惡設施 | | 面前道路 | |
| 面寬 | | 縱深 | |
| 邊間 | | 房子銷售來源 | 不動產經紀人/專業仲介 |
| 房子特色 | |
| 坪數說明 |
| 建物登記總坪數 | 69.85 | 土地登記總坪數 | 34.97 |
| 主建物坪數 | 12.54+12.13+12.06+5.58+4.23 | 停車位坪數 | 15.09 |
| 附屬建物坪數 | 6.19 | 公共設施坪數 | 1.77+0.26 |
| 增建坪數 | | 地下室坪數 | |
| 房子周邊環境 |
| 生活機能 | | 鄰近交通 | |
| 鄰近地標 | | 公園綠地 | |
| 鄰近學區 | | 捷運站 | |
| 房子聯絡人資訊 |
| 聯絡人姓名 | 林先生 (煩請告知聯絡人,您是在House-Info房屋網看到這則廣告,真摯感恩您的幫忙) |
| 手機 |  0966-781-595 | 電子信箱 | |
| Skype通話 | | Line加入好友 |
|
| 所屬公司名稱 | 優室法拍屋│Google五星商家│林小陽│專業法拍代標│信義房仲經驗│全台為您服務│凌陽有限公司 |
| 公司電話 | 專線:0966-781-595 / LINE:0966781595 / 公司:02-25000075 | 公司傳真 | ★法拍代標最專業推薦 優室林小陽★ |
| 公司地址 | 台北市中山區民生東路三段31號11樓 (瑞星名廈/BMW汽車對面)│法拍代標專業推薦 林小陽 |
| 網 址 | http://www.優室法拍屋.tw |