拍賣新北五股公寓

法拍屋,法拍屋代標,法拍屋出售
最後更新:1天前
房子基本資料
案名 五股區民義路一段60之2號2樓 五股國小 案號 114蘭82365
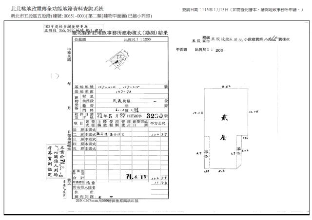
地址 新北市五股區民義路一段60之2號2樓
銷售狀態 待標中 售價
售1062萬
房子類型法拍公寓 總登記坪數 40.7 坪
格局 0房 屋齡 44年
每坪單價 26.09萬/坪 公設比
車位 座向
無障礙環境 法拍屋 本物件是法拍屋
拍次 : 2
開標日期 : 115/04/02(四) 上午09:30
建物所在樓層 2樓/共5樓 管理費
管委會 中庭
電梯 未知 是否為凶宅 不是
300公尺內嫌惡設施 面前道路
面寬 縱深
邊間 房子銷售來源 不動產經紀人/專業仲介
房子特色
▌地址

新北市五股區民義路一段60-2號2樓



▌公告內容

辦理法院|新北

案號|114蘭82365

拍賣時間|115/04/02(四)上午09:30

拍次|2拍

點交否|點交



▌拍賣情況

拍賣中



▌產權資料

社區名|

類型|公寓

樓層|2/5

屋齡|44

權狀坪|40.70

室內坪|40.7

公設坪|

土地坪|9.89

增建坪|

車位|

車位坪|



▌拍賣資料

拍賣底價|1062萬元

保證金|213萬元

單價/坪|26.1萬元

標別|



▌預估拍次

一拍價格|1325.2萬元|32.6萬/坪

預估二拍|1062.0萬元|26.1萬/坪

預估三拍|1205.0萬元|29.6萬/坪

預估應買|1205.0萬元|29.6萬/坪

預估四拍|1086萬元|26.7萬/坪



▌法院筆錄

1‧本件建物查封時,債務人女兒在場稱房屋現由債務人及其家屬自住,無出租予他人,且房屋無足以影響交易之特殊情事。現場房屋有一面牆壁嚴重油漆剝落及壁癌等狀況。本件拍定後點交。

2‧本件土地查封時,經債權人會同地政事務所人員到場指界陳稱,359地號土地位於五股區工商路99巷24號住宅大樓後方,無法通行至現場,有雜物及鐵皮阻擋,為兩棟建物間的小巷;358地號土地位於五股區工商路99巷24號住宅大樓左後方,同為高樓間的小巷,前開兩筆土地均無法自現場及空拍圖判斷其上有無建物占用。本件拍賣之358、359地號土地為71使字第638號使用執照(70建字第1228號建造執照)之建築基地(含法定空地),適用公寓大廈管理條例第4條第2項之規定,須與本件建物併同移轉。

3‧變賣共有物時,除買受人為共有人外,共有人有依相同條件優先承買之權,有二人以上願意優先承買者,以抽籤定之,並由本院依主張優先承買權者所提出之證據形式認定後決定是否准予優先承買,對認定不服者應自行向民事法院提起確認優先承買權存在與否之訴訟,因上開調查及訴訟進行時間需耗費相當時日,於訴訟確定前均不退還所繳保證金及價金,若確認優先承買權人得優先承買,則無息退還保證金及價金,請投標人自行評估後再行投標。

4‧遺留於本件標的內之動產,因屋內動產並不在拍賣範圍內,如拍定後仍遺留有價值之遺留物在現場,本院尚須依強制執行法第100條之規定命拍定人保管遺留物、拍照、造具遺留物清冊陳報法院、限期債務人領回、鑑價、詢價、拍賣等,需耗費相當時日,請投標人注意,評估後再行投標。

5‧若有停止、撤回、撤銷、延緩強制執行之事由,而其事由確實發生於本案標的拍定日或拍定日前,縱已拍定,本院亦得撤銷拍定,無息返還已經繳交之款項,應買人、拍定人、債權人、債務人均不得異議,不同意之應買人請勿參與本件標的之應買。

6‧本件標的物原所有權人或使用人如有積欠工程受益費及水電、瓦斯或管理費等費用,應由拍定人自行查明後與相關單位洽商解決。

《分割共有物》







法拍代標專家TORO|18年法拍屋經驗,專業代標、合法透明、成功率高

✅專欄人物-黃瑋諭

在法拍市場中,資訊不對稱、法律風險、投標策略失誤,往往讓投資人錯失良機,甚至承擔不必要的風險。

選擇一位真正專精法拍屋的代標專家,是成功關鍵。

TORO法拍代標|業界口碑第一的法拍屋專家

📮TORO(黃瑋諭),深耕法拍屋市場超過18年,專注於法拍交易、法拍屋投資與代標服務,累積豐富實戰經驗,並以「合法、透明、專業」著稱。

✅TOROESTATE創辦人

法拍屋教學教育資深講師👨‍🏫

多家媒體、網路專欄不動產分析專家📢

曾參與多件大型企業辦公室、豪宅、廠房之法拍代標案件🏢

不只協助投標,更替客戶控管風險,打造長期穩定的法拍投資策略👑

✅法拍代標實績|累積成交金額突破50億

法拍成交案件數:300+件

累積成交總金額:超過50億元

102年單店成交金額:17億

111年單店成交金額:30億

👉業績來自實力,口碑來自成果。

✅為什麼選擇TORO法拍代標?

✔專業法律顧問全程把關

配合專業律師團隊確保交易合法、安全降低潛在法律風險

✔法拍物件完整調查

產權結構、登記風險全面審查使用狀況、占用與點交可能性分析避免「買到不能住、不能用的法拍屋」

✔客製化投標策略

投標價格精準分析市場行情比對依現場狀況即時調整投標金額

✅TORO法拍代標完整流程

①委託前諮詢

法拍流程完整說明

成本、稅費、銀行貸款分析

投資風險與報酬評估

②委託後分析

預估得標價格

銀行鑑價與融資可行性

現場實地調查

③投標當日

全程陪同或代理投標

現場觀察投標人數

即時判斷投標策略

④成功得標後

銀行撥款與法院流程協助

點交程序與文件處理

協助排除占用、後續出租或轉售規劃

✅法拍代標收費方式(透明公開)

⭕️點交法拍屋:3%

⭕️不點交法拍屋:5%

❌️未得標:完全不收費

👉成功才收費,與客戶站在同一陣線。

✅投標當日必備文件

⭐️投標人身分證公司投標需附法人登記資料

⭐️投標人印章/法人大小章

⭐️投標保證金(拍賣底價20%)



✅台北/新北法拍投標地點與電話

台北地方法院

台北市博愛路131號

📞(02)2314-6871

新北地方法院

新北市土城區青雲路152號6樓

📞(02)2261-6714

士林地方法院

台北市內湖區民權東路六段91號

📞(02)2791-1521

台灣金服公司

台北市大安區忠孝東路四段300號10樓

📞(02)8771-1168

✅聯絡TORO|法拍代標諮詢專線

⭐️0980-758-080

👉一對一諮詢,協助你避開法拍陷阱,精準得標。

坪數說明
建物登記總坪數 40.70 土地登記總坪數 9.89
主建物坪數 40.70 停車位坪數
附屬建物坪數 公共設施坪數
增建坪數 地下室坪數
房子周邊環境
生活機能 鄰近交通
鄰近地標 公園綠地
鄰近學區 捷運站
房子聯絡人資訊
聯絡人姓名 TORO 黃瑋諭
(煩請告知聯絡人,您是在House-Info房屋網看到這則廣告,真摯感恩您的幫忙)
手機
0980-758-080
電子信箱
Skype通話 Line加入好友 Line加入好友
所屬公司名稱 鑫創資產管理有限公司
公司電話 0980758080 公司傳真 鑫創資產管理有限公司
公司地址 新北市新莊區中環路二段423號1樓
網 址 http://www.toro591.tw
贊助商廣告
新北五股公寓法拍-1
新北五股公寓法拍-1
新北五股公寓法拍-2
新北五股公寓法拍-2
新北五股公寓法拍-3
新北五股公寓法拍-3
新北五股公寓法拍-4
新北五股公寓法拍-4
新北五股公寓法拍-5
新北五股公寓法拍-5
新北五股公寓法拍-6
新北五股公寓法拍-6
新北五股公寓法拍-7
新北五股公寓法拍-7
新北五股公寓法拍-8
新北五股公寓法拍-8
新北五股公寓法拍-9
新北五股公寓法拍-9
觀看地圖

新北五股民義路一段60之2號2樓-公寓

物件留言
請注意,如果您詢問的內容與物件不相符合或是廣告,經過審核,系統將會直接刪除您的發問內容
等待圖示
檢舉物件不實
等待圖示
黃金熱銷
相似物件
www.houseinfo.tw房屋網免責聲明:本系統為租用式開放房屋買賣網站建置平台,僅提供會員查詢-拍賣新北五股公寓-等房屋資訊參考,並不涉入任何諮詢、交易。 物件(服務)聯絡人公佈的資訊、文字、照片、圖形、產權、廣告內容、或其他資料若有不實或違法情事,或與客戶聯絡交易過程中若衍生民事或刑事等法律問題,皆與本房屋網站無關,所有商標、文章、名稱等版權,皆歸屬原著作者所有! ●電話:07-7963288