拍賣新北市鶯歌區公寓

法拍屋,法拍屋代標,法拍屋出售
最後更新:9小時內
房子基本資料
案名 新北市鶯歌區鶯桃路91巷20弄2號1樓 案號 115職二24甲金
地址 新北市鶯歌區鶯桃路91巷20弄2號1樓
銷售狀態 待標中 售價
售1869萬6000元
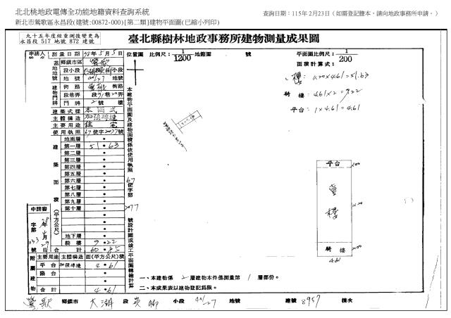
房子類型法拍公寓 總登記坪數 19.8 坪
格局 0房 屋齡 48年
每坪單價 94.42萬/坪 公設比
車位 座向
無障礙環境 法拍屋 本物件是法拍屋
拍次 : 2
開標日期 : 115/04/01(三) 上午10:30
建物所在樓層 1樓/共2樓 管理費
管委會 中庭
電梯 未知 是否為凶宅 不是
300公尺內嫌惡設施 面前道路
面寬 縱深
邊間 房子銷售來源 不動產經紀人/專業仲介
房子特色
▌地址

新北市鶯歌區鶯桃路91巷20弄2號1樓



▌公告內容

辦理法院|金服

案號|115職二24甲金

拍賣時間|115/04/01(三)上午10:30

拍次|2拍

點交否|點交



▌拍賣情況

拍賣中



▌產權資料

社區名|

類型|公寓

樓層|1/2

屋齡|48

權狀坪|19.8

室內坪|76.13

公設坪|

土地坪|29.74

增建坪|56.33

車位|

車位坪|



▌拍賣資料

拍賣底價|1869.6萬元

保證金|374萬元

單價/坪|94.4萬元

標別|甲



▌預估拍次

一拍價格|2337.0萬元|118.0萬/坪

預估二拍|1869.6萬元|94.4萬/坪

預估三拍|1495.7萬元|75.5萬/坪

預估應買|1495.7萬元|75.5萬/坪

預估四拍|1196.5萬元|60.4萬/坪



▌法院筆錄

1‧法院現場查封時,債務人黃O嵐在場表示,房屋現為債務人劉O衢居住使用。另依債權人提出之照片,屋內有神明桌,增建部分有部分油漆剝落情形。

2‧本件1474建號建物係未辦理保存登記之增建物,拍定後,拍定人無法持法院核發之權利移轉證書辦理所有權登記,且須承擔被拆除之風險。依據新北市政府違章建築拆除大隊函示,該增建為垂直增建違章建築,並有違建位置為法定空地,屬既存違章建築,列入分類分期處理,惟經查認影響公共安全,或經發現屬新建造之違章建築,或被列入專案處理者,限期拆除。又本件拍賣以建物現況拍賣,當事人及拍定人均不得以面積不符,請求增減價金,請投標人注意。

3‧本件標的分標拍賣。如有數標拍定,且拍定價額超過本件執行之債權額時,債務人得到場指定拍定之標的物,否則逕依上開標別次序拍定。又如其中一標賣得價金足以清償強制執行之債權額及債務人應負擔之費用時,其餘各標雖達底價,仍不為拍定,縱已拍定,法院亦得職權撤銷拍定。

4‧本件標的物原所有人或使用人如有積欠工程受益費及水電、瓦斯或管理費等費用,應由拍定人自行與相關單位洽商解決。

5‧本件標的建物,法院已儘量將調查所得之輻射屋、海砂屋、地震受創、嚴重漏水、火災受損、建物內有非自然死亡或其他足以影響交易之特殊情事等項,於使用情形欄載明,如使用情形欄未特別載明,即表示經法院以現場調查等方式予以調查後尚未發現有上開影響交易價格之情形。惟鑑於司法資源有限,及債權人、債務人所揭露之資訊未必完全真實,縱經法院以通常方式予以調查,仍難保證絕無上情,應買人應於投標前至現場查訪,多方蒐集資訊,拍定後買受人就物之瑕疵無擔保請求權,得標後不得再執此理由聲明異議,請投標人自行查明注意。

6‧刊登於網路之公告內容如與法院公告欄張貼之公告內容不符時,一律以法院公告欄張貼之拍賣公告內容為準。

《新北地方法院案號:113年度司執喜字第160327號,拍賣抵押物》







法拍代標專家TORO|18年法拍屋經驗,專業代標、合法透明、成功率高

✅專欄人物-黃瑋諭

在法拍市場中,資訊不對稱、法律風險、投標策略失誤,往往讓投資人錯失良機,甚至承擔不必要的風險。

選擇一位真正專精法拍屋的代標專家,是成功關鍵。

TORO法拍代標|業界口碑第一的法拍屋專家

📮TORO(黃瑋諭),深耕法拍屋市場超過18年,專注於法拍交易、法拍屋投資與代標服務,累積豐富實戰經驗,並以「合法、透明、專業」著稱。

✅TOROESTATE創辦人

法拍屋教學教育資深講師👨‍🏫

多家媒體、網路專欄不動產分析專家📢

曾參與多件大型企業辦公室、豪宅、廠房之法拍代標案件🏢

不只協助投標,更替客戶控管風險,打造長期穩定的法拍投資策略👑

✅法拍代標實績|累積成交金額突破50億

法拍成交案件數:300+件

累積成交總金額:超過50億元

102年單店成交金額:17億

111年單店成交金額:30億

👉業績來自實力,口碑來自成果。

✅為什麼選擇TORO法拍代標?

✔專業法律顧問全程把關

配合專業律師團隊確保交易合法、安全降低潛在法律風險

✔法拍物件完整調查

產權結構、登記風險全面審查使用狀況、占用與點交可能性分析避免「買到不能住、不能用的法拍屋」

✔客製化投標策略

投標價格精準分析市場行情比對依現場狀況即時調整投標金額

✅TORO法拍代標完整流程

①委託前諮詢

法拍流程完整說明

成本、稅費、銀行貸款分析

投資風險與報酬評估

②委託後分析

預估得標價格

銀行鑑價與融資可行性

現場實地調查

③投標當日

全程陪同或代理投標

現場觀察投標人數

即時判斷投標策略

④成功得標後

銀行撥款與法院流程協助

點交程序與文件處理

協助排除占用、後續出租或轉售規劃

✅法拍代標收費方式(透明公開)

⭕️點交法拍屋:3%

⭕️不點交法拍屋:5%

❌️未得標:完全不收費

👉成功才收費,與客戶站在同一陣線。

✅投標當日必備文件

⭐️投標人身分證公司投標需附法人登記資料

⭐️投標人印章/法人大小章

⭐️投標保證金(拍賣底價20%)



✅台北/新北法拍投標地點與電話

台北地方法院

台北市博愛路131號

📞(02)2314-6871

新北地方法院

新北市土城區青雲路152號6樓

📞(02)2261-6714

士林地方法院

台北市內湖區民權東路六段91號

📞(02)2791-1521

台灣金服公司

台北市大安區忠孝東路四段300號10樓

📞(02)8771-1168

✅聯絡TORO|法拍代標諮詢專線

⭐️0980-758-080

👉一對一諮詢,協助你避開法拍陷阱,精準得標。

坪數說明
建物登記總坪數 19.8 土地登記總坪數 29.74
主建物坪數 19.8 停車位坪數
附屬建物坪數 公共設施坪數
增建坪數 56.33 地下室坪數
房子周邊環境
生活機能 鄰近交通
鄰近地標 公園綠地
鄰近學區 捷運站
房子聯絡人資訊
聯絡人姓名 TORO 黃瑋諭
(煩請告知聯絡人,您是在House-Info房屋網看到這則廣告,真摯感恩您的幫忙)
手機
0980-758-080
電子信箱
Skype通話 Line加入好友 Line加入好友
所屬公司名稱 鑫創資產管理有限公司
公司電話 0980758080 公司傳真 鑫創資產管理有限公司
公司地址 新北市新莊區中環路二段423號1樓
網 址 http://www.toro591.tw
贊助商廣告
新北鶯歌公寓拍賣-1
新北鶯歌公寓拍賣-1
新北鶯歌公寓拍賣-2
新北鶯歌公寓拍賣-2
新北鶯歌公寓拍賣-3
新北鶯歌公寓拍賣-3
新北鶯歌公寓拍賣-4
新北鶯歌公寓拍賣-4
新北鶯歌公寓拍賣-5
新北鶯歌公寓拍賣-5
新北鶯歌公寓拍賣-6
新北鶯歌公寓拍賣-6
新北鶯歌公寓拍賣-7
新北鶯歌公寓拍賣-7
新北鶯歌公寓拍賣-8
新北鶯歌公寓拍賣-8
觀看地圖

新北鶯歌鶯桃路91巷20弄2號1樓-公寓

物件留言
請注意,如果您詢問的內容與物件不相符合或是廣告,經過審核,系統將會直接刪除您的發問內容
等待圖示
檢舉物件不實
等待圖示
黃金熱銷
相似物件
www.houseinfo.tw房屋網免責聲明:本系統為租用式開放房屋買賣網站建置平台,僅提供會員查詢-拍賣新北市鶯歌區公寓-等房屋資訊參考,並不涉入任何諮詢、交易。 物件(服務)聯絡人公佈的資訊、文字、照片、圖形、產權、廣告內容、或其他資料若有不實或違法情事,或與客戶聯絡交易過程中若衍生民事或刑事等法律問題,皆與本房屋網站無關,所有商標、文章、名稱等版權,皆歸屬原著作者所有! ●電話:07-7963288