拍賣樹林區公寓

透明房訊,台北104法拍,台北法拍屋
法拍屋,法拍屋代標,法拍屋出售
最後更新:2小時內
房子基本資料
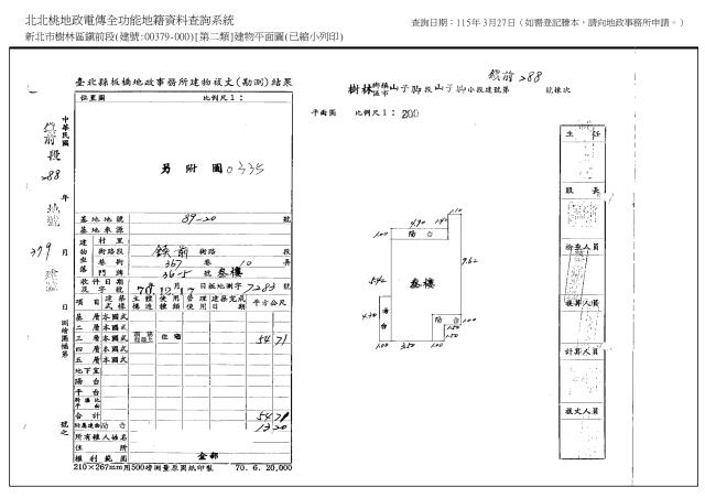
案名 新北市樹林區東華街64號3樓 案號 115/04/28,第一拍,點交
地址 新北市樹林區東華街64號3樓
銷售狀態 待標中 售價
售885萬
房子類型法拍公寓 總登記坪數 20.54 坪
格局 屋齡 45年
每坪單價 43.09萬/坪 公設比
車位 座向
無障礙環境 法拍屋 本物件是法拍屋
拍次 : 1
開標日期 : 4/28
建物所在樓層 3/5 管理費
管委會 中庭
電梯 沒有 是否為凶宅 不是
300公尺內嫌惡設施 面前道路
面寬 縱深
邊間 房子銷售來源 不動產經紀人/專業仲介
房子特色

新北市樹林區法拍屋|樹林公寓法拍|東華街法拍|樹林低總價住宅

━━━━━━━━━━━━━━

樹林法拍屋

東華街法拍

樹林公寓法拍

新北市樹林區東華街64號3樓

━━━━━━━━━━━━━━



【案名】

樹林法拍公寓|東華街64號3樓



【拍賣資訊】

案號:114松181684

拍次:第一拍

開標日期:115/04/28(二)14:30

拍賣底價:885萬

保證金:約177萬

執行狀態:待標中

點交情形:點交



━━━━━━━━━━━━━━



【物件基本資料】

房屋類型:公寓

建物結構:鋼筋混凝土造

主要用途:住家用

建物所在樓層:3樓/總樓層5樓

屋齡:約45年

房屋格局:依現況



━━━━━━━━━━━━━━



【坪數資料】

總坪數:20.54坪

主建物:16.55坪

附屬建物:3.99坪

土地持分:9.20坪

每坪單價:約43.1萬/坪



━━━━━━━━━━━━━━



【物件特色】

◎樹林低總價公寓,首購族可切入

◎第三樓層,公寓中段樓層接受度高

◎拍定後點交,使用權明確

◎法院初步調查無重大事故紀錄

◎總價885萬,低門檻產品





━━━━━━━━━━━━━━



【生活機能】

◎樹林在地生活圈成熟

◎周邊商店、小吃、日常採買方便

◎住宅密集區,自住需求穩定



━━━━━━━━━━━━━━



【交通機能】

◎東華街連接樹林主要道路

◎可快速銜接樹林車站、板橋生活圈



━━━━━━━━━━━━━━



📌法拍屋說明

法拍屋無法完整看室內,需透過:

.法院筆錄

.建物現況

.鄰里訪查

.區域行情

綜合評估



📌法拍貸款說明

法拍貸款分為代墊尾款與一般房貸兩類,

與104法拍網長期配合銀行亦可承作相關案件。



━━━━━━━━━━━━━━



📲LINE諮詢

https://line.me/ti/p/MJcPvp3nG8



104法拍網法拍服務團隊

雙人代拍|全台專業代標|銀行貸款評估



━━━━━━━━━━━━━━



【投標諮詢|雙人代標】

林小姐Anna|0986-678-928

黃先生Pitt|0984-508-898



代標找林小姐,安心又會標~Anna幫你買到家!

坪數說明
建物登記總坪數 20.54 土地登記總坪數 9.2
主建物坪數 16.55 停車位坪數
附屬建物坪數 3.99 公共設施坪數
增建坪數 地下室坪數
房子周邊環境
生活機能 鄰近交通
鄰近地標 公園綠地
鄰近學區 捷運站
房子聯絡人資訊
聯絡人姓名 林宸妍
(煩請告知聯絡人,您是在House-Info房屋網看到這則廣告,真摯感恩您的幫忙)
手機
0986-678-928
電子信箱
Skype通話 Line加入好友 Line加入好友
所屬公司名稱 財欣不動產管理顧問有限公司 統編:22857204|合法營業|提供正式發票
公司電話 0986678928 公司傳真
公司地址 桃園市桃園區莊敬路一段346號4F
網 址 http://www.0986678928.tw
贊助商廣告
桃園廠房,桃園廠房出租,桃園廠房出售
新北法拍屋,新北市法拍屋,新北法院法拍屋
樹林公寓法拍-1
樹林公寓法拍-1
樹林公寓法拍-2
樹林公寓法拍-2
樹林公寓法拍-3
樹林公寓法拍-3
樹林公寓法拍-4
樹林公寓法拍-4
樹林公寓法拍-5
樹林公寓法拍-5
觀看地圖

新北樹林東華街64號3樓-公寓

物件留言
請注意,如果您詢問的內容與物件不相符合或是廣告,經過審核,系統將會直接刪除您的發問內容
等待圖示
檢舉物件不實
等待圖示
黃金熱銷
相似物件
www.houseinfo.tw房屋網免責聲明:本系統為租用式開放房屋買賣網站建置平台,僅提供會員查詢-拍賣樹林區公寓-等房屋資訊參考,並不涉入任何諮詢、交易。 物件(服務)聯絡人公佈的資訊、文字、照片、圖形、產權、廣告內容、或其他資料若有不實或違法情事,或與客戶聯絡交易過程中若衍生民事或刑事等法律問題,皆與本房屋網站無關,所有商標、文章、名稱等版權,皆歸屬原著作者所有! ●電話:07-7963288