拍賣瑞芳公寓

透明房訊,台北104法拍,台北法拍屋
法拍屋,法拍屋代標,法拍屋出售
最後更新:3小時內
房子基本資料
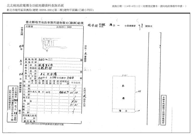
案名 新北市瑞芳區永龍新邨12號3樓 案號 第二拍115/3/31(二)
地址 新北市瑞芳區永龍新?12號3樓
銷售狀態 待標中 售價
售340萬售289萬
房子類型法拍公寓 總登記坪數 27.59 坪
格局 屋齡 47年
每坪單價 10.47萬/坪 公設比
車位 座向
無障礙環境 法拍屋 本物件是法拍屋
拍次 : 2
開標日期 : 第二拍115/3/31(二)
建物所在樓層 管理費
管委會 中庭
電梯 沒有 是否為凶宅 不是
300公尺內嫌惡設施 面前道路
面寬 縱深
邊間 房子銷售來源 不動產經紀人/專業仲介
房子特色
新北市瑞芳區法拍屋|永龍新邨法拍|瑞芳低總價



新北市瑞芳區法拍屋|永龍新邨12號3樓



房屋類型:法拍公寓



所在樓層:3樓/總樓層3樓



屋齡:約47年



格局:依現況



總登記坪數:27.59坪



主建物坪數:25.19坪



附屬建物坪數:2.40坪



土地持分:約11.80坪



建物結構:鋼筋混凝土造



用途:住家用



地址:新北市瑞芳區永龍新邨12號3樓



━━━━━━━━━━━━━━



【拍賣資訊】



第二拍底價:289萬



保證金:約57.8萬



每坪約10.5萬



拍賣日期:2026/03/31



━━━━━━━━━━━━━━



【物件特色】



瑞芳低總價住宅



山城住宅環境清幽



室內空間約25坪



總價300萬內入手門檻低



自住或出租投資皆可



━━━━━━━━━━━━━━



【土地資訊】



土地地號:深澳段140-33地號



土地持分:約39㎡



土地使用分區:山坡地保育區

丙種建築用地



━━━━━━━━━━━━━━



【法院筆錄重點】



建物偶爾由債務人母親居住



現場仍有水電



室內油漆嚴重剝落



木質隔間腐壞



部分牆壁龜裂



水泥塊剝落



屋內留有老舊家具



拍定後依現況點交



━━━━━━━━━━━━━━



【安全調查】



查詢相關機關紀錄



無火災紀錄



無海砂屋紀錄



無輻射屋紀錄



無地震受創紀錄



━━━━━━━━━━━━━━



【拍賣紀錄】



第一拍:340萬(流標)



第二拍:289萬



━━━━━━━━━━━━━━



本案為法院公開標售之法拍物件,物件現況、產權登記、點交條件及拍賣時程等,均以法院正式拍賣公告為準;如遇停拍、撤回、拍定或公告變更,本資訊即自動失效。



法拍貸款分為代墊尾款與一般房貸兩類,與104法拍網長期配合銀行亦可承作點交案件。



━━━━━━━━━━━━━━



【投標諮詢|雙人代標】



林小姐Anna|0986-678-928



黃先生Pitt|0984-508-898



LINE官方名片

https://line.me/ti/p/MJcPvp3nG8



104法拍網法拍服務團隊



雙人代拍|全台專業代標|銀行貸款評估



代標找林小姐,安心又會標~Anna幫你買到家!

坪數說明
建物登記總坪數 27.59 土地登記總坪數 11.80
主建物坪數 25.19 停車位坪數
附屬建物坪數 2.4 公共設施坪數
增建坪數 地下室坪數
房子周邊環境
生活機能 鄰近交通
鄰近地標 公園綠地
鄰近學區 捷運站
房子聯絡人資訊
聯絡人姓名 林宸妍
(煩請告知聯絡人,您是在House-Info房屋網看到這則廣告,真摯感恩您的幫忙)
手機
0986-678-928
電子信箱
Skype通話 Line加入好友 Line加入好友
所屬公司名稱 財欣不動產管理顧問有限公司 統編:22857204|合法營業|提供正式發票
公司電話 0986678928 公司傳真
公司地址 桃園市桃園區莊敬路一段346號4F
網 址 http://www.0986678928.tw
贊助商廣告
桃園廠房,桃園廠房出租,桃園廠房出售
新北法拍屋,新北市法拍屋,新北法院法拍屋
瑞芳公寓法拍-1
瑞芳公寓法拍-1
瑞芳公寓法拍-2
瑞芳公寓法拍-2

新北瑞芳永龍新?12號3樓-公寓

物件留言
請注意,如果您詢問的內容與物件不相符合或是廣告,經過審核,系統將會直接刪除您的發問內容
等待圖示
檢舉物件不實
等待圖示
黃金熱銷
相似物件
www.houseinfo.tw房屋網免責聲明:本系統為租用式開放房屋買賣網站建置平台,僅提供會員查詢-拍賣瑞芳公寓-等房屋資訊參考,並不涉入任何諮詢、交易。 物件(服務)聯絡人公佈的資訊、文字、照片、圖形、產權、廣告內容、或其他資料若有不實或違法情事,或與客戶聯絡交易過程中若衍生民事或刑事等法律問題,皆與本房屋網站無關,所有商標、文章、名稱等版權,皆歸屬原著作者所有! ●電話:07-7963288